Titelbild Steuerung

Servicegerät

Das Servicegerät (SG) hat zwei wesentliche Funktionen. Zum einen dient es zum Konfigurieren der EA42-Module. Dafür wird das SG an den Bus angeschlossen und die Adresse des zu konfigurierenden Moduls eingetippt. Alle weiteren Anzeigen und Eingabemöglichkeiten richten sich dann nach den Möglichkeiten des Moduls, dass adressiert wurde.

Servicegerät

Servicegerät


Wenn keine Module konfiguriert werden müssen, kann das Servicegerät als Monitor eingesetzt werden. Es zeigt dann alle Meldungen an, die auf den Bus ausgegeben wurden. Die Meldungen können nach Priorität 1, 2 und 3 gefiltert dargestellt werden.

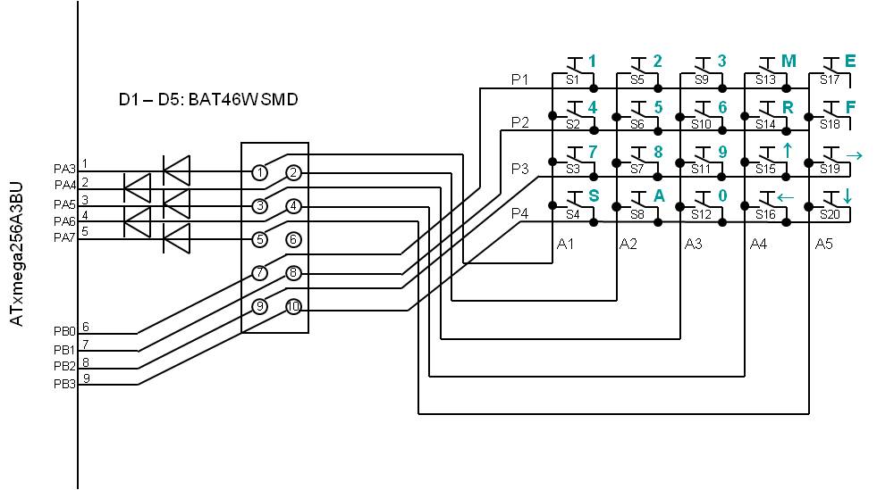
Schaltung 1 Servicegerät

Schaltung 1 Servicegerät


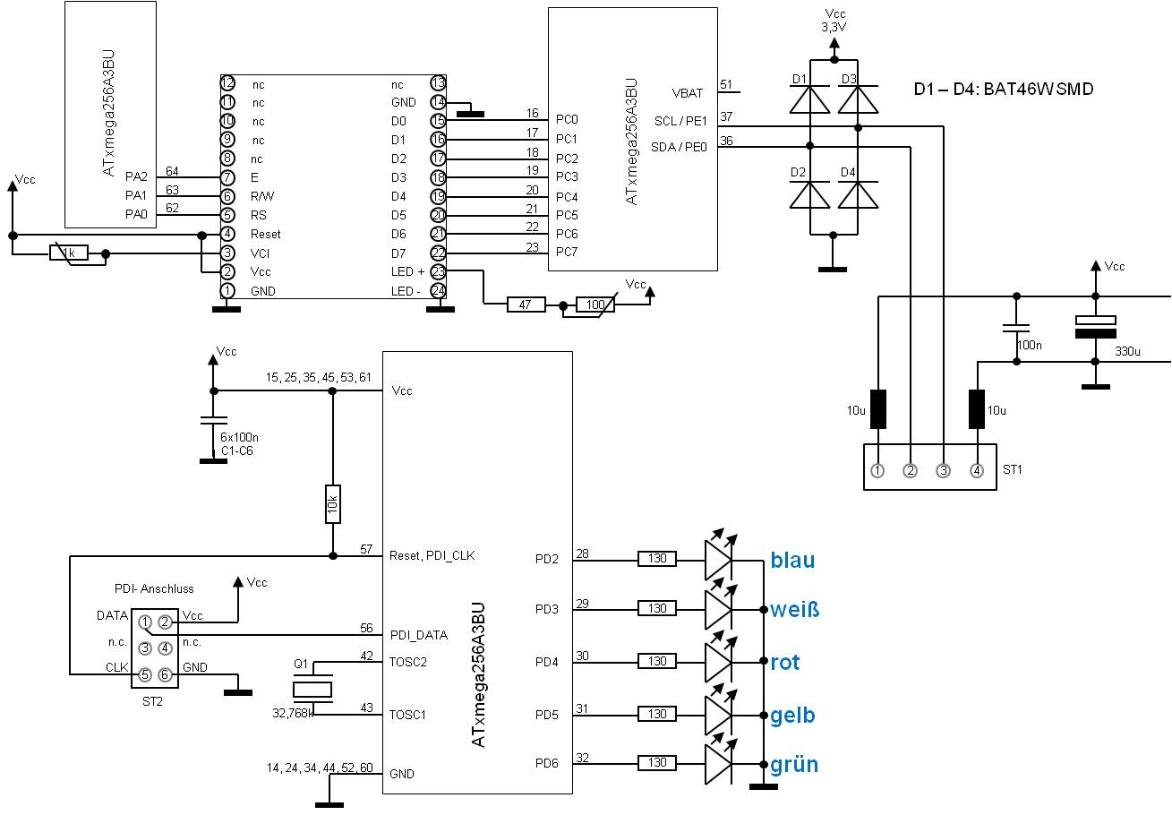
Schaltung 2 Servicegerät

Schaltung 2 Servicegerät


Impressum